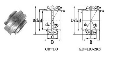
Part Number :
d :
D :
B :

GE...LO

GE...LO
  • GE...LO