Part Number :
d :
D :
B :

Flanged Bearing

Flanged Bearing
  • Flanged Bearing

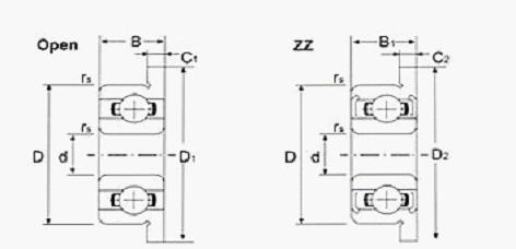
Deep groove ball bearings are the most common type of rolling bearings. Deep groove ball bearings are composed of an outer ring, an inner ring, a set of steel balls, and cages. There are two types of deep groove ball bearings, single row and double row. The deep groove ball structure is also divided into two types: sealed and open. The open type refers to the bearing without a sealed structure.

Various sizes can also be customized according to customers’ needs for bearings. If necessary, please email me.