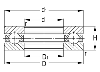
Part Number :
d :
D :
B :

陶瓷推力球轴承

陶瓷推力球轴承
  • 陶瓷推力球轴承