
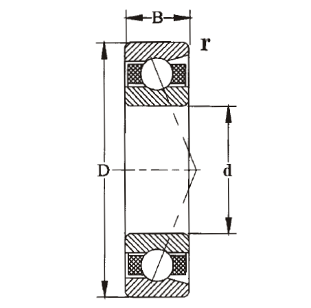
角接触球轴承具有接触角;其设计用于同时承受较大的轴向和径向联合载荷。ITS 的轴向承载能力随轴承接触角的增大而增大。接触角 (∝) 定义为滚道与滚珠接触线之间的夹角。
配对角接触球轴承,例如背对背 (DB) 和面对面 (DF) 配置,也适用于能够承受双向径向和轴向载荷的应用。关于串联配置 (DT),请联系 ITS 技术支持。
| 选择 | 询价 | 型号 | 尺寸(mm) | 基本额定载荷(kN) | 限制速度(rpm ) | 重量 | ||||
|---|---|---|---|---|---|---|---|---|---|---|
| d | D | B | 额定动载荷(Cr) | 额定静载荷(Cor) | 油脂 | 油 | Kg | |||
| 7406C | 30 | 90 | 23 | 57.5 | 33.8 | 6500 | 8500 | 0.96 | ||
| 7407C | 35 | 100 | 25 | 66.8 | 41.2 | 5500 | 8000 | 1.14 | ||
| 7408C | 40 | 110 | 27 | 80.2 | 53.3 | 5200 | 7000 | 1.4 | ||
| 7409C | 45 | 120 | 29 | 93.1 | 60.8 | 5000 | 6500 | 1.8 | ||
| 7410C | 50 | 130 | 31 | 119.3 | 81 | 4500 | 6000 | 2.25 | ||
| 7411C | 55 | 140 | 33 | 125.3 | 87 | 4200 | 5600 | 2.75 | ||
| 7412C | 60 | 150 | 35 | 136.3 | 98.2 | 3800 | 5200 | 3.4 | ||
| 7413C | 65 | 160 | 37 | 147.4 | 110.2 | 3400 | 4800 | 4.2 | ||
| 7414C | 70 | 180 | 42 | 160.4 | 126.6 | 3200 | 4500 | 5.8 | ||
| 7415C | 75 | 190 | 45 | 171.4 | 138.9 | 3000 | 4200 | 7 | ||
| 7416C | 80 | 200 | 48 | 183.2 | 152.9 | 2800 | 4000 | 8.4 | ||
| 7417C | 85 | 210 | 52 | 195.1 | 167.6 | 2600 | 3700 | 9.6 | ||
| 7418C | 90 | 225 | 54 | 208 | 184.2 | 2400 | 3400 | 11.2 | ||