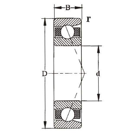
Part Number :
d :
D :
B :

7000AC 系列

7000AC 系列
  • 7000AC 系列

角接触球轴承具有接触角;其设计用于同时承受较大的轴向和径向联合载荷。ITS 的轴向承载能力随轴承接触角的增大而增大。接触角 (∝) 定义为滚道与滚珠接触线之间的夹角。


配对角接触球轴承,例如背对背 (DB) 和面对面 (DF) 配置,也适用于能够承受双向径向和轴向载荷的应用。关于串联配置 (DT),请联系 ITS 技术支持。