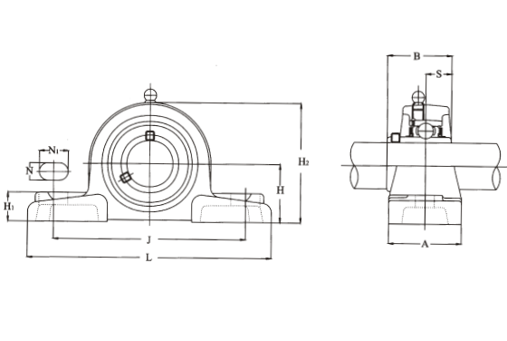
Part Number :
d :
D :
B :

UCP Series

UCP Series
  • UCP Series

1. According to the shape of the bearing seat: 1.1 The outer spherical seated bearing, also called the bearing unit (SKF parlance). When there is no bearing, it is called an outer spherical bearing seat. 1.1.1.1 The outer spherical bearing seat is divided into 200 series according to the bearing series. 500 series. 300 series. 600 series. XOO series. 1.2 The outer spherical bearing seat is divided into vertical seat (P seat), square seat (F seat), diamond seat (FL seat), round seat (C seat), convex round seat (FC seat), convex Table square seat (FS seat), dark hole seat (PA seat), hanging seat (FA seat). 1.3 Integral (that is, non-separable) vertical bearing seat assembly, with screw-fastened bearing box cover. These vertical bearing block sets were originally developed as axle boxes for light rail trucks, but they can also be used in traditional vertical bearing block sets. Non-separable vertical bearing seat assemblies have higher rigidity than separate bearing seats, and some can withstand heavier loads. The outer spherical bearing seat is also an integral seat. 2 split housing 2.1 Split bearing housings are divided into SN2, 5, 3, and 6 series according to different bearings and shaft requirements. SNL2, SNL5, SD have 2, 5, 3, 6, 3100, 3000, 3200 The bearing seat is divided into: split bearing seat, sliding bearing seat, rolling bearing seat, bearing seat with flange, outer spherical bearing seat and so on.

selectInquiryUnit No.Bearing No.Housing No.Shaft Dia Boundary dimensions(mm) Bolt SizeMass(Kg)
in.mmhaebs1s2gwBin
UCP201-8 UC201-8 P204 1/2 - 33.3 127 95 38 13 16 15 65 31 12.7 3/8 0.8
UCP202-10 UC202-10 P204 5/8 - 33.3 127 95 38 13 16 15 65 31 12.7 3/8 0.8
UCP204 UC204 P204 - 20 33.3 127 95 38 13 16 15 65 31 12.7 M10 0.8
UCP204-12 UC204-12 P204 3/4 - 33.3 127 95 38 13 16 15 65 31 12.7 3/8 0.8
UCP205 UC205 P205 - 25 36.6 140 105 38 13 16 16 70 34 14.3 M10 1
UCP205-14 UC205-14 P205 7/8 - 36.6 140 105 38 13 16 16 70 34 14.3 3/8 1
UCP205-15 UC205-15 P205 15/16 - 36.6 140 105 38 13 16 16 70 34 14.3 3/8 1
UCP205-16 UC205-16 P205 1 - 36.6 140 105 38 13 16 16 70 34 14.3 3/8 1
UCP206 UC206 P206 - 30 42.9 165 121 48 17 21 18 83 38.1 15.9 M14 1.6
UCP206-17 UC206-17 P206 1-1/16 - 42.9 165 121 48 17 21 18 83 38.1 15.9 1/2 1.6
UCP206-18 UC206-18 P206 1-1/8 - 42.9 165 121 48 17 21 18 83 38.1 15.9 1/2 1.6
UCP206-19 UC206-19 P206 1-3/16 - 42.9 165 121 48 17 21 18 83 38.1 15.9 1/2 1.6
UCP206-20 UC206-20 P206 1-1/4 - 42.9 165 121 48 17 21 18 83 38.1 15.9 1/2 1.6
UCP207 UC207 P207 - 35 47.6 167 127 48 17 21 19 94 42.9 17.5 M14 2.1
UCP207-20 UC207-20 P207 1-1/4 - 47.6 167 127 48 17 21 19 94 42.9 17.5 1/2 2.1
UCP207-21 UC207-21 P207 1-5/16 - 47.6 167 127 48 17 21 19 94 42.9 17.5 1/2 2.1
UCP207-22 UC207-22 P207 1-3/8 - 47.6 167 127 48 17 21 19 94 42.9 17.5 1/2 2.1
UCP207-23 UC207-23 P207 1-7/16 - 47.6 167 127 48 17 21 19 94 42.9 17.5 1/2 2.1
UCP208 UC208 P208 - 40 49.2 184 137 54 17 25 19 100 49.2 19 M14 2.6
UCP208-24 UC208-24 P208 1-1/2 - 49.2 184 137 54 17 25 19 100 49.2 19 1/2 2.6
UCP208-25 UC208-25 P208 1-9/16 - 49.2 184 137 54 17 25 19 100 49.2 19 1/2 2.6
UCP209 UC209 P209 - 45 54 190 146 54 17 25 20 108 49.2 19 M14 3
UCP209-26 UC209-26 P209 1-5/8 - 54 190 146 54 17 25 20 108 49.2 19 1/2 3
UCP209-27 UC209-27 P209 1-11/16 - 54 190 146 54 17 25 20 108 49.2 19 1/2 3
UCP209-28 UC209-28 P209 1-3/4 - 54 190 146 54 17 25 20 108 49.2 19 1/2 3
UCP210 UC210 P210 - 50 57.2 206 159 60 20 25 22 114 51.6 19 M16 3.6
UCP210-30 UC210-30 P210 1-7/8 - 57.2 206 159 60 20 25 22 114 51.6 19 5/8 3.6
UCP210-31 UC210-31 P210 1-15/16 - 57.2 206 159 60 20 25 22 114 51.6 19 5/8 3.6
UCP210-32 UC210-32 P210 2 - 57.2 206 159 60 20 25 22 114 51.6 19 5/8 3.6
UCP211 UC211 P211 - 55 63.5 219 171 60 20 25 22 126 55.6 22.2 M16 4.4
Previous12Next